CARLO GAVAZZI - GAVRM1A23A50 RELE STAT. MONOF.A PASS.DI ZERO - RM1A23A50

Melden Sie sich an, um Preise und Verfügbarkeit anzuzeigen
Haupteigenschaften
Geeignet für Reiheneinbau - ja
Anzahl der Phasen - 1
Bemessungsbetriebsstrom Ie bei AC-1 - 50 A
Packung
1 ST
Produktserien
Relè allo stato solido
Alle Produkte dieser Serie ansehenEAN
8001021570772
Artikelnummer
GAVRM1A23A50
Herstellernummer
RM1A23A50
Hersteller
GAV
Geeignet für Reiheneinbau:
ja
Anzahl der Phasen:
1
Bemessungsbetriebsstrom Ie bei AC-1:
50 A
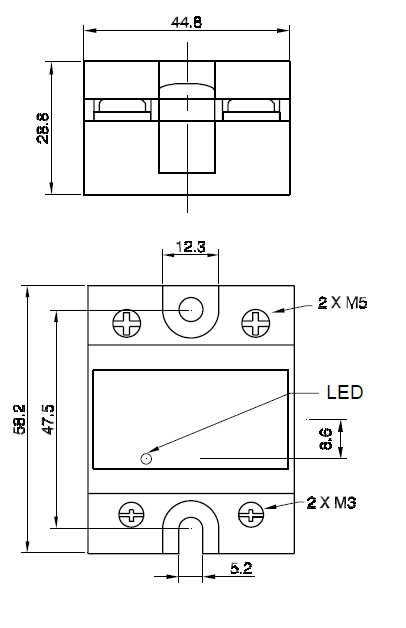
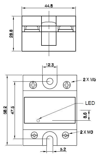
Relè a stato solido monofase, montaggio da retroquadro, indicazione a LED, protezione IP20, CA. Isolamento > 4000 Vrms. • Dimensioni (HxLxP): 58,2x44,8x28,8 mm • Varistore integrato.



