CARLO GAVAZZI - GAVRM1A60D100 RELE STAT. MONOF.A PASS.DI ZERO - RM1A60D100

Melden Sie sich an, um Preise und Verfügbarkeit anzuzeigen
Haupteigenschaften
Bemessungsbetriebsstrom Ie bei AC-1 - 100 A
Anzahl der Phasen - 1
Geeignet für Reiheneinbau - ja
Packung
1 ST
EAN
8013768971453
Artikelnummer
GAVRM1A60D100
Herstellernummer
RM1A60D100
Hersteller
GAV
Bemessungsbetriebsstrom Ie bei AC-1:
100 A
Anzahl der Phasen:
1
Geeignet für Reiheneinbau:
ja
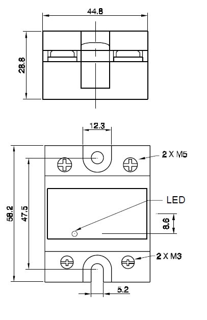
Relè a stato solido monofase, montaggio da retroquadro, indicazione a LED, protezione IP20, CA. Isolamento > 4000 Vrms. • Dimensioni (HxLxP): 58,2x44,8x28,8 mm • Varistore integrato.



