DATASENSING SRL - DTGS970830000 SR31 -ST.CABLE - S970830000

Melden Sie sich an, um Preise und Verfügbarkeit anzuzeigen
Haupteigenschaften
Min. Objektgröße - 2 mm
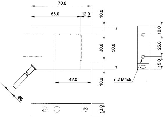
Gabeltiefe - 42 mm
Gabelbreite - 30 mm
Max. Ausgangsstrom - 200 mA
Mit Zeitfunktion - nein
Packung
1 ST
Produktserien
Serie SR31
Alle Produkte dieser Serie ansehenEAN
8027893018457
Artikelnummer
DTGS970830000
Herstellernummer
S970830000
Hersteller
MMD
Min. Objektgröße:
2 mm
Gabeltiefe:
42 mm
Gabelbreite:
30 mm
Max. Ausgangsstrom:
200 mA
Mit Zeitfunktion:
nein
Mit Reflektor:
nein
Ausführung des elektrischen Anschlusses:
Kabel
Ausführung des Schaltausgangs:
PNP/NPN
Breite des Sensors:
13 mm
Höhe des Sensors:
50 mm
Länge des Sensors:
70 mm
Tastfunktion:
hell-/dunkelschaltend
Werkstoff der optischen Fläche:
Glas
Werkstoff des Gehäuses:
Metall
Schaltfrequenz:
10000 Hz
Spannungsart:
DC
Laserschutzklasse:
Klasse 1
Lichtart:
Laserdiode, Rotlicht
Schutzart (IP):
sonstige
Geeignet für Sicherheitsfunktionen:
nein
Umgebungstemperatur:
-10...60 °C
Bemessungssteuerspeisespannung DC:
10...30 V



