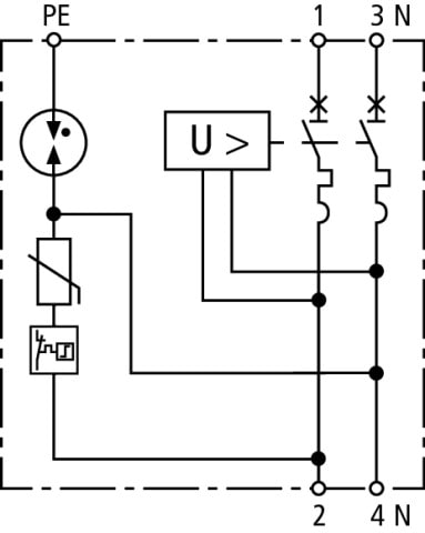
DEHN ITALIA SPA - DEH900781 Dispositivo di protezione da sovratensio ni con interruttori magnetotermici e SPD

Melden Sie sich an, um Preise und Verfügbarkeit anzuzeigen
Haupteigenschaften
Nennableitstoßstrom (8/20) - 5 kA
Schutzpegel - 1.5 kV
Montageart - Hutschiene TH35
Nennspannung AC - 230 V
Höchste Dauerspannung AC - 275 V
Packung
1 ST
EAN
4013364156210
Artikelnummer
DEH900781
Herstellernummer
900781
Hersteller
DEH
Nennableitstoßstrom (8/20):
5 kA
Schutzpegel:
1.5 kV
Montageart:
Hutschiene TH35
Nennspannung AC:
230 V
Höchste Dauerspannung AC:
275 V
Baugröße:
4 TE
Prüfklasse Typ 2:
ja
Signalisierung am Gerät:
optisch
Max. Leiterquerschnitt flexibel (feindrähtig):
16 mm²
Max. Leiterquerschnitt starr (ein-/mehrdrähtig):
25 mm²
Integrierte Vorsicherung:
nein
Schutzart (IP):
IP20





