DEHN ITALIA SPA - DEH923362 Anschlussbugel - 923362

Melden Sie sich an, um Preise und Verfügbarkeit anzuzeigen
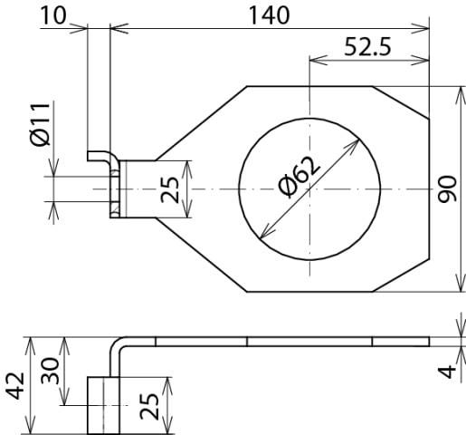
Haupteigenschaften
Art des Zubehörs/Ersatzteils - Montagebügel
Packung
1 ST
EAN
4013364150898
Artikelnummer
DEH923362
Herstellernummer
923362
Hersteller
DEH
Art des Zubehörs/Ersatzteils:
Montagebügel
Staffa di collegamento angolata per EXFS. Il diametro corrisponde al diametro del perno di avvitamento della flangia.




