DEHN ITALIA SPA - DEH927222 BLITZDUCTORCONNECT BCO ML2 BE 12 - 927222

Melden Sie sich an, um Preise und Verfügbarkeit anzuzeigen
Packung
1 ST
EAN
4013364405592
Artikelnummer
DEH927222
Herstellernummer
927222
Hersteller
DEH
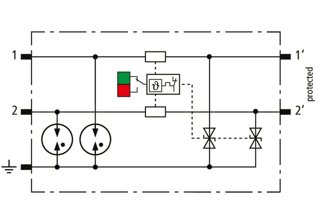
Scaricatore combinato modulare, in esecuzione stretta da 6 mm e connessione Push-in con indicazione di funzionamento per la protezione di 2 fili singoli con potenziale di riferimento comune e di interfacce asimmetriche. Con sezionamento del segnale per motivi di manutenzione.





