DEHN ITALIA SPA - DEH927290 BLITZDUCTORCONNECT BCO ML2 MVG 230 - 927290

Melden Sie sich an, um Preise und Verfügbarkeit anzuzeigen
Packung
1 ST
EAN
4013364466524
Artikelnummer
DEH927290
Herstellernummer
927290
Hersteller
DEH
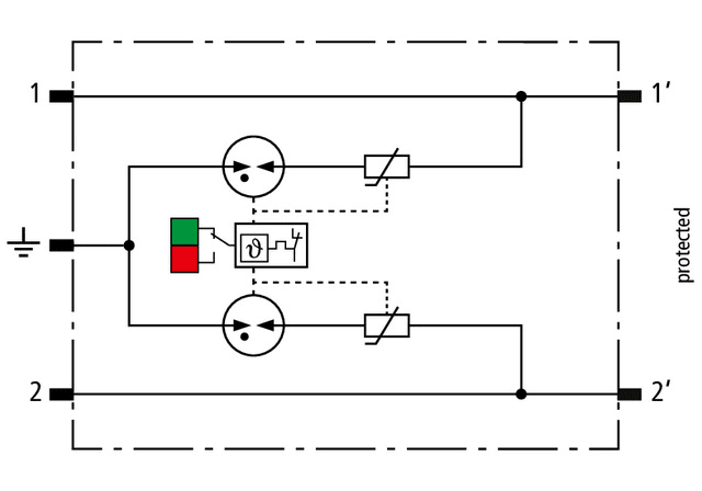
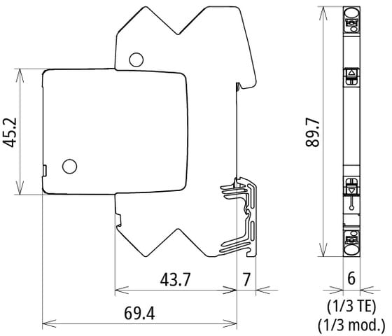
Limitatore di sovratensione modulare a risparmio di spazio, con larghezza di installazione 6 mm e tecnologia di connessione Push-in, con indicazione di stato per la protezione di 2 conduttori di interfacce di segnale multifilari con separazione galvanicae tensione nominale di 230 V AC. Con separazione di segnale per scopi di manutenzione. Soddisfa, tra l?altro, i requisiti per gli impianti di tecnologia di segnale nel settore ferroviario (conforme a DB RIL 819.0808).





