DEHN ITALIA SPA - DEH956205 SPD T1+2+3 2P+N A CARTUCCIA, CON CONTAT - 956205

Melden Sie sich an, um Preise und Verfügbarkeit anzuzeigen
Packung
1 ST
EAN
4013364510579
Artikelnummer
DEH956205
Herstellernummer
956205
Hersteller
DEH
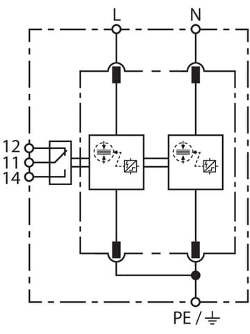
Scaricatore combinato multipolare DEHNventil modular, SPD Tipo 1 + Tipo 2 + Tipo 3 in accordo a EN 61643-11 (CEI EN 61643-11, CEI 37-8) su base spinterometrica, composto da elemento base e un modulo di protezione innestabile. Elevatissima continuita di servizio tramite spinterometri Rapid Arc Control (RAC). Permette la protezione di utenze finali. Per la protezione da sovratensioni di impianti elettrici utilizzatori in bassa tensione, anche in caso di fulminazione diretta. Per l'impiego nel concetto di protezione da fulminazione a zone, ai passaggi 0A - 2.





