ELETTRA SRL AEG - AEGPVQI40-OPEN Q.INTERF.CEI 0-21 3F+N 40KW - PVQI40-OPEN

Melden Sie sich an, um Preise und Verfügbarkeit anzuzeigen
Packung
1 ST
EAN
8058951900537
Artikelnummer
AEGPVQI40-OPEN
Herstellernummer
PVQI40-OPEN
Hersteller
ETT
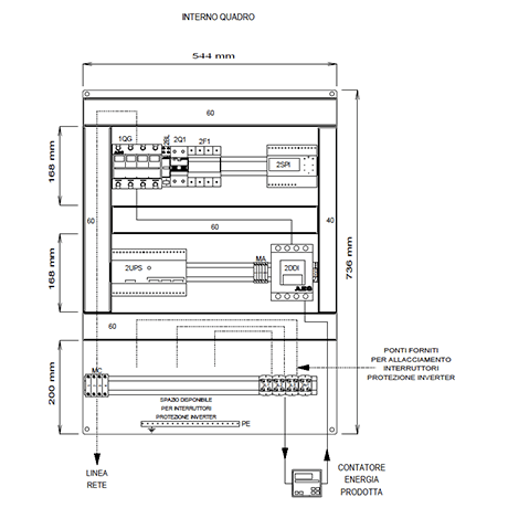
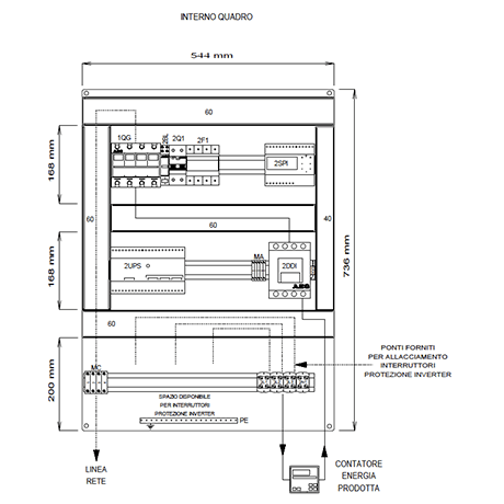
I quadri di interfaccia OPEN rappresentano una soluzione per la connessione di impianti fotovoltaici CEI 0-21. I quadri OPEN nascono con lo spazio e la predisposizione di cablaggio per gli interruttori di protezione inverter che saranno installabili successivamente tramite i collegamenti già forniti. - Interruttore Generale 4x80A 50kA (EN60947-2) con bobina di sgancio per funzione di rincalzo - Relè di interfaccia NA003 con Ups di emergenza (CEI 0-21) - Contattore DDI 4 poli 80A AC-3. Spazio per cablaggio Interruttori protezione inverter 3F+N: 1x40kW, 2x20kW (oppure 30kW+10kW), 3x12,5kW - Kit di cablaggio incluso nella confezione (3x25mm2 nero+1x25mm2 blu; 6x16mm2 nero+2x16mm2 blu) - Interruttori previsti 3F+N (da ordinare a parte): 10kW DMA63NPC20/300; 12,5kW DMA63NPC25/300; 15kW DMA63NPC32/300; 20kW E94SC40+HD9532/300; 25kW E94SC50+HD9463/300; 33kW E94SC63+HD9463/300; 40kW E880504C80+HD94100/300. I componenti sono racchiusi in un contenitore a parete in ABS IP54 LxHxP 800x600x260mm.



