PHOENIX CONTACT - PHC2906855 TTC-6-MOV-C-48DC-PT-I SPD SEGNALE - 2906855

Melden Sie sich an, um Preise und Verfügbarkeit anzuzeigen
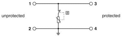
Haupteigenschaften
Nennspannung DC - 48...48 V
Max. Dauerspannung AC - 42 V
Max. Dauerspannung DC - 60 V
Nennableitstoßstrom (8/20) - 2 kA
Nennlaststrom - 10 A
Packung
1 ST
EAN
4055626137117
Artikelnummer
PHC2906855
Herstellernummer
2906855
Hersteller
PHC
Nennspannung DC:
48...48 V
Max. Dauerspannung AC:
42 V
Max. Dauerspannung DC:
60 V
Nennableitstoßstrom (8/20):
2 kA
Nennlaststrom:
10 A
Schutzpegel Ader/Erde:
150 V
Grenzfrequenz:
0.65 MHz
Montageart:
sonstige
Anschluss 1:
Klemme
Ableiterüberwachung:
ja
Mit Fernmeldekontakt:
nein
Signalisierung am Gerät:
optisch
Explosionsgeprüfte Ausführung:
nein


