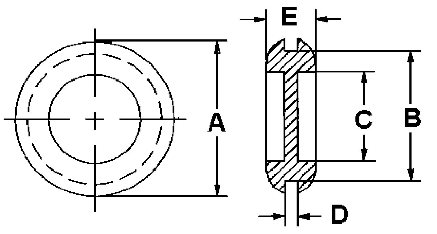
TEKNOMEGA SRL - TKGIPC1025 INSERTO PASSACAVI IN PVC CON FORO D28,5M - IPC1025

Melden Sie sich an, um Preise und Verfügbarkeit anzuzeigen
Packung
1 ST
EAN
8050503318302
Artikelnummer
TKGIPC1025
Herstellernummer
IPC1025
Hersteller
TKG
INSERTO PASSACAVO IN PVC FORO 28,5mm



