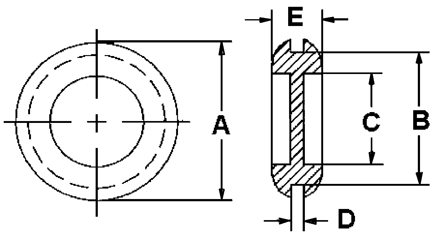
TEKNOMEGA SRL - TKGIPC1030 Inserto passacavi in gomma diam.37,5

Melden Sie sich an, um Preise und Verfügbarkeit anzuzeigen
Packung
1 ST
EAN
8050503318319
Artikelnummer
TKGIPC1030
Herstellernummer
IPC1030
Hersteller
TKG
INSERTO PASSACAVO IN PVC FORO 37,5mm



