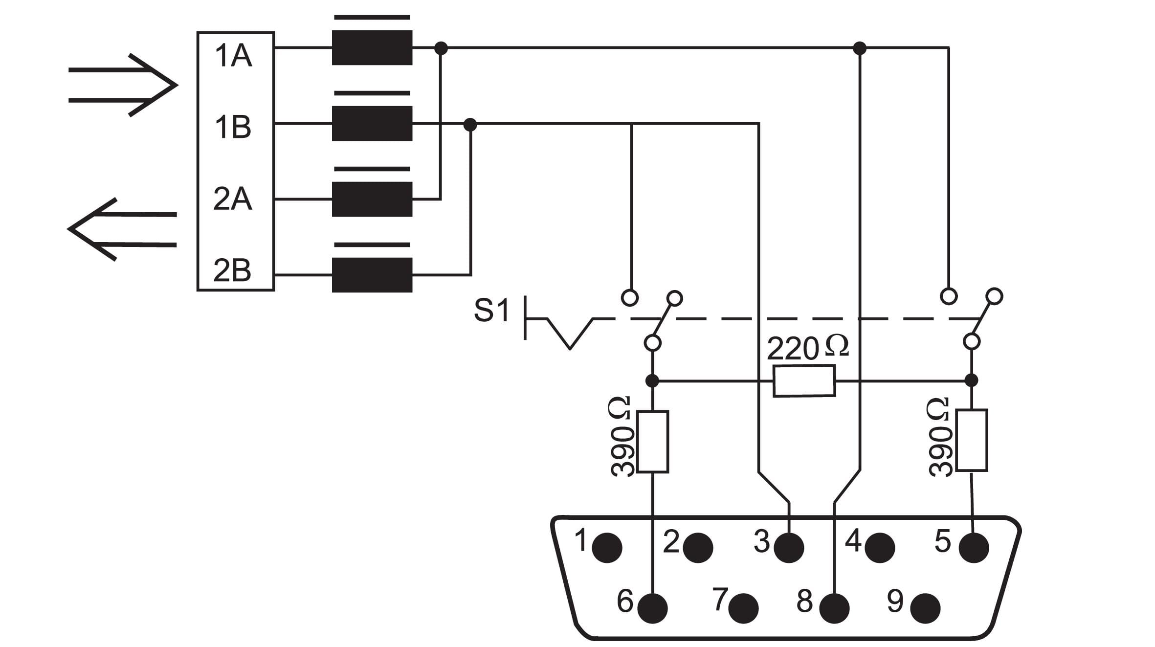
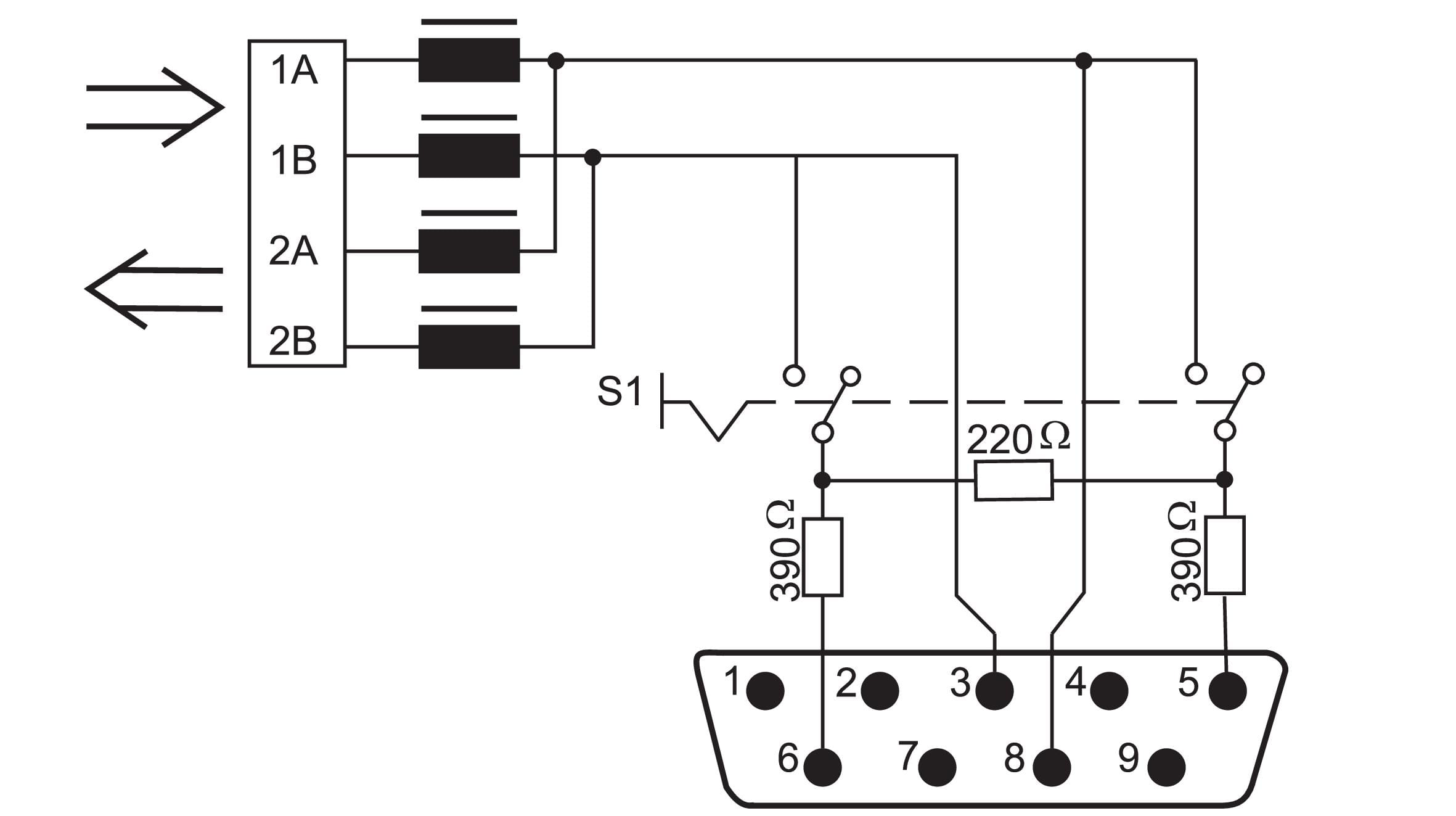
WAGO ITALIA SRL - WAG750-960 CONNETTORE PROFIBUS CON CONNETTORE MASCH - 750-960

Melden Sie sich an, um Preise und Verfügbarkeit anzuzeigen
Haupteigenschaften
Art des elektrischen Zubehörs - Stecker
Art des mechanischen Zubehörs - sonstige
Packung
1 ST
EAN
4045454320157
Artikelnummer
WAG750-960
Herstellernummer
750-960
Hersteller
WAG
Art des elektrischen Zubehörs:
Stecker
Art des mechanischen Zubehörs:
sonstige
Una gamma completa di morsetti e accessori saranno la piattaforma ideale per le tue esigenze di connessione.I vantaggi:Ampia scelta e alte prestazioni per ogni tipo di applicazione;Massimo livello di sicurezza: omologazioni internazionali per tutti i settori industriali;Connessione a molla con tecnologia WAGO indipendente dall’operatore, grande tenuta alle vibrazioni e agli sbalzi termici, esente da manutenzione;Risparmio di tempo grazie alla rapidità nel cablaggio e nella messa in servizio.




