AMBIENTE DI TEST / TEST ENVIRONMENT

pagina iniziale

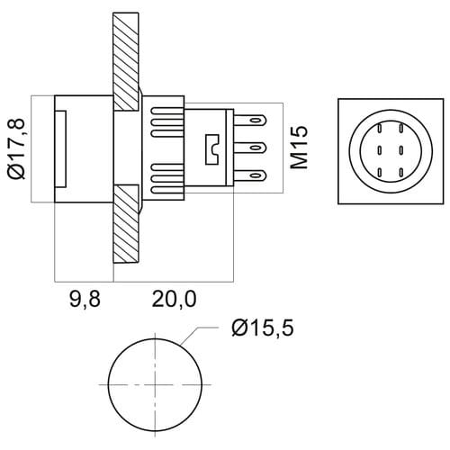
ALPHA ELETTRONICA SR - ALP330-048-4 Pulsante bistabile - Verde - 2P - DPDT - ON/ON - 3A@250Vac - 6 term. a saldare

ALPHA ELETTRONICA SR
copiacopia

Accedi per visualizzare prezzi e disponibilità

Confezione

  • 1 PZ

EAN

8017443611962

Codice prodotto

ALP330-048-4

Cod. produttore

330-048-4

Produttore

ALP

** Caratteristiche Generali **Attuatore: PulsanteSerigrafia: NessunaLuminoso: noColore: VerdeMateriale attuatore: PlasticaTipi contatti: DPDTPortata: 3A@250VacN. poli: 2Stato dei contatti: ON/ONTipo terminale: a saldareN. terminali: 6Montaggio: Pannello con dadoForo fissaggio: ø15.5mmGrado di protezione: IP40