B.E.G. ITALIA SRL - BBH93930 SBA4-230/10/H/KNX - ATTUAT. TAPP. 4 X 10 - 93930

Accedi per visualizzare prezzi e disponibilità
Caratteristiche principali
Sistema bus EIB/KNX - sì
Tipo di montaggio - AMD
Numero max. di uscite avvolgibili - 4
Tipo di corrente - AC
Confezione
1 PZ
EAN
4007529939305
Codice prodotto
BBH93930
Cod. produttore
93930
Produttore
BBH
Sistema bus EIB/KNX:
sì
Tipo di montaggio:
AMD
Numero max. di uscite avvolgibili:
4
Tipo di corrente:
AC
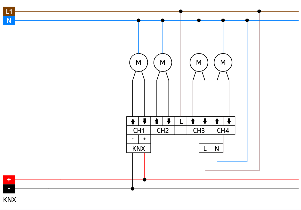
Gli attuatori per motori KNX SBA ricevono telegrammi KNX e, tramite ciascun canale, controllano indipendentemente l'uno dall'altro i motori con interruttori di fine corsa, Ogni uscita e controllato per mezzo di due rele monostabili che possono essere attivati manualmente con pulsanti sull?attuatore, Ogni canale puo essere programmato individualmente attraverso l?ETS3/4. I rapporti sullo stato, le funzioni di blocco, le funzioni di comando centrali e la taratura e il posizionamento delle funzioni sono disponibili per la selezione, In caso di guasto della tensione del bus o ripresa, le posizioni del commutatore del rele possono essere programmate singolarmente per ciascun canale, Il dispositivo e progettato per l?installazione permanente su una guida DIN in quadri di distribuzione ad alta tensione, L?installazione deve avvenire in ambiente asciutto




