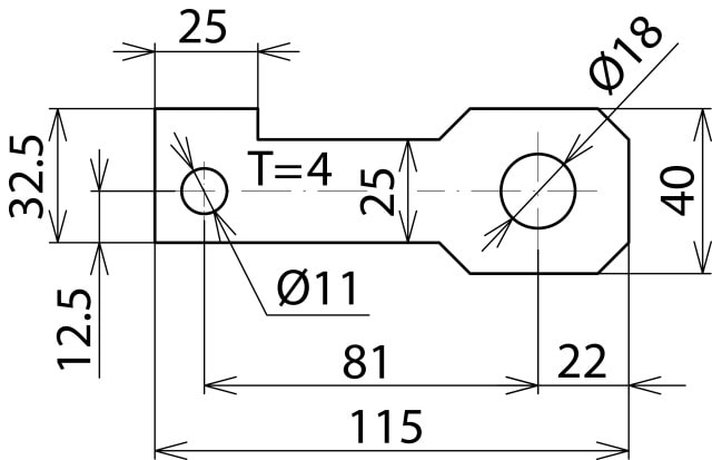
DEHN ITALIA SPA - DEH923218 Staffe di collegamento diritte IF3 diametro foro d1 18mm

Accedi per visualizzare prezzi e disponibilità
Caratteristiche principali
Tipo di accessorio / ricambio - Staffa di montaggio
Confezione
1 PZ
EAN
4013364150928
Codice prodotto
DEH923218
Cod. produttore
923218
Produttore
DEH
Tipo di accessorio / ricambio:
Staffa di montaggio
Staffa di collegamento diritta per EXFS. Il diametro corrisponde al diametro del perno di avvitamento della flangia.




