pagina iniziale

DEHN ITALIA SPA - DEH924395 SPD T3 1P+N VOLANTE DFL D 255 - 924395

DEHN ITALIA SPA
copiacopia

Accedi per visualizzare prezzi e disponibilità

Caratteristiche principali

  • Tensione nominale AC - 230 V

  • Tensione permanente AC max. - 255 V

  • Corrente di carico nominale - 16 A

  • Corrente impulsiva di dispersione nominale (8/20) (L-N) - 3 kA

  • Corrente impulsiva di dispersione nominale (8/20) (L+N-PE) - 5 kA

Confezione

  • 1 PZ

EAN

4013364076334

Codice prodotto

DEH924395

Cod. produttore

924395

Produttore

DEH

Tensione nominale AC:

230 V

Tensione permanente AC max.:

255 V

Corrente di carico nominale:

16 A

Corrente impulsiva di dispersione nominale (8/20) (L-N):

3 kA

Corrente impulsiva di dispersione nominale (8/20) (L+N-PE):

5 kA

Livello di protezione L-N:

1.25 kV

Livello di protezione L-PE/N-PE:

1.5 kV

Numero di poli:

2

Tipo di montaggio:

Installazione canale

Con contatto telecomunicazioni:

no

Segnalazione nell'apparecchio:

Acustico

Classe di prova tipo 3:

Grado di protezione (IP):

IP20

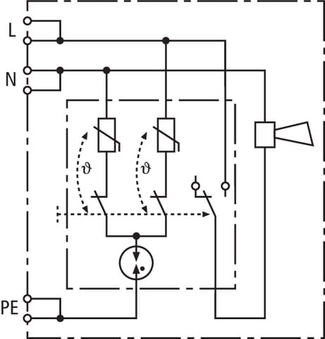
Limitatore di sovratensione bipolare DEHNflex, Tipo 3 sec. CEI EN 61643-11, con dispositivo di controllo e di sezionamento. Sicurezza aumentata tramite il circuito di protezione ad Y a prova di scambio. Per la protezione da sovratensioni di apparecchiature elettroniche. Adatto per il montaggio in installazioni elettriche, come p.es. installazione sotto pavimento. Per l'impiego nel concetto di protezione da fulminazione a zone all'interfaccia 1 – 2 e superiori.