DEHN ITALIA SPA - DEH927284 BLITZDUCTORCONNECT BCO ML2 BD EX 24 - 927284

Accedi per visualizzare prezzi e disponibilità
Confezione
1 PZ
EAN
4013364405677
Codice prodotto
DEH927284
Cod. produttore
927284
Produttore
DEH
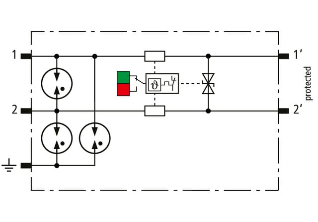
Limitatore di sovratensione modulare, in esecuzione stretta da 6 mm e connessione Push-in con indicazione di funzionamento per la protezione di 1 coppia di fili di circuiti di misura a sicurezza intrinseca e di sistemi bus. Adempie i requisiti di FISCO. Resistenza all'isolamento > 500 V filo-terra. Con sezionamento del segnale per motivi di manutenzione.





