DEHN ITALIA SPA - DEH951405 SPD T1+2 4P A CARTUCCIA CON CONTATTO - 951405

Accedi per visualizzare prezzi e disponibilità
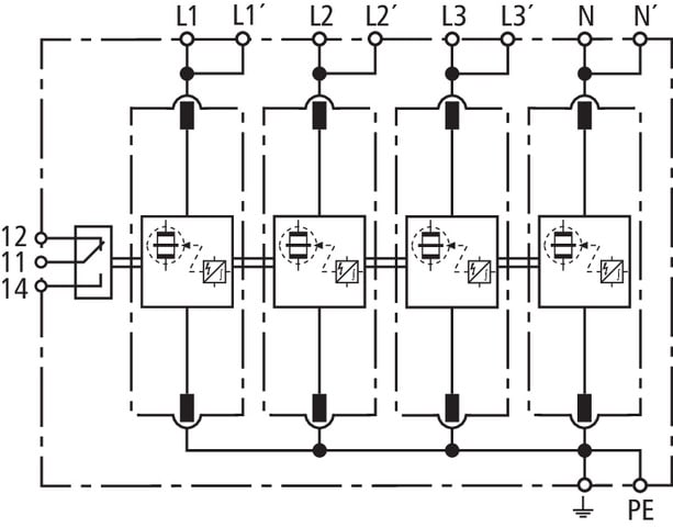
Caratteristiche principali
Forma della rete DC - no
Forma della rete TN-S - sì
Numero di poli - 4
corrente impulsiva (10/350) - 100 kA
Tensione permanente AC max. - 264 V
Confezione
1 PZ
EAN
4013364108165
Codice prodotto
DEH951405
Cod. produttore
951405
Produttore
DEH
Forma della rete DC:
no
Forma della rete TN-S:
sì
Numero di poli:
4
corrente impulsiva (10/350):
100 kA
Tensione permanente AC max.:
264 V
Tensione nominale AC:
230 V
Livello di protezione L-N:
1.5 kV
Livello di protezione L-PE:
1.5 kV
Livello di protezione N-PE:
1.5 kV
Capacità di estinzione della corrente successiva:
50 kA
Energia specifica (W/R):
2500 kJ/Ohm
Tipo di montaggio:
Guida DIN (top hat rail) 35 mm
Dimensione:
8 UM
Sezione max. del conduttore rigido (uni-/multifilare):
50 mm²
Sezione max. del conduttore flessibile (a filo sottile):
35 mm²
Segnalazione a distanza:
sì
Segnalazione nell'apparecchio:
Ottico
Classe di prova:
Tipo 1 e 2
Effetto di protezione energetico coordinato per dispositivo terminale:
sì
Grado di protezione (IP):
IP20





