DEHN ITALIA SPA - DEH952121 SPD T2 1P+N CON CONTATTO, FUSE INTEGRATO - 952121

Accedi per visualizzare prezzi e disponibilità
Caratteristiche principali
Forma della rete TN-S - sì
Forma della rete TT - sì
Numero di conduttori (esclusa terra) - 2
Corrente impulsiva di dispersione nominale (8/20) - 20 kA
Tensione nominale AC - 230 V
Confezione
1 PZ
EAN
4013364376663
Codice prodotto
DEH952121
Cod. produttore
952121
Produttore
DEH
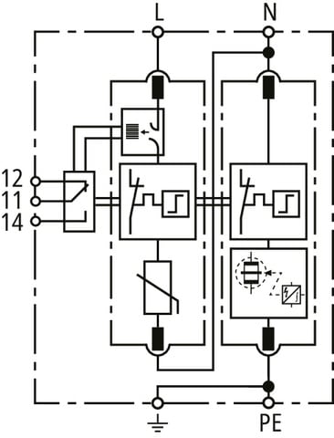
Forma della rete TN-S:
sì
Forma della rete TT:
sì
Numero di conduttori (esclusa terra):
2
Corrente impulsiva di dispersione nominale (8/20):
20 kA
Tensione nominale AC:
230 V
Tensione permanente AC max.:
275 V
Livello di protezione L-N:
1.5 kV
Livello di protezione N-PE:
1.5 kV
Resistenza di cortocircuito (Isccr):
25 kA
Fusibile ausiliario integrato:
no
Tipo di montaggio:
Guida DIN (top hat rail) 35 mm
Dimensione:
2 UM
Sezione max. del conduttore rigido (uni-/multifilare):
35 mm²
Sezione max. del conduttore flessibile (a filo sottile):
25 mm²
Con contatto telecomunicazioni:
sì
Segnalazione nell'apparecchio:
Ottico
Classe di prova tipo 2:
sì
Grado di protezione (IP):
IP20





