AMBIENTE DI TEST / TEST ENVIRONMENT

pagina iniziale

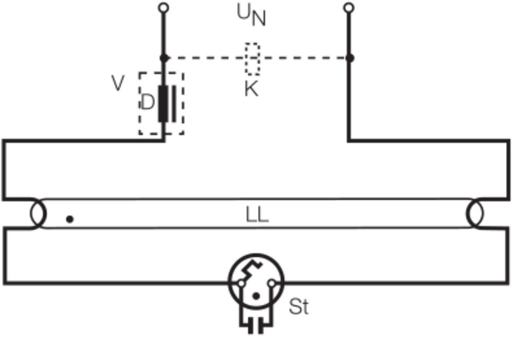
LEDVANCE - LDVDEOSST171 Starters for single operation at 230 V AC ( ST 111, ST 171, ST 173) 171 SAFETY DEOS

LEDVANCE
copiacopia

Accedi per visualizzare prezzi e disponibilità

Caratteristiche principali

  • Elettronico - no

  • Adatto per lampade di potenza - 36...65 W

  • Adatto per lampada fluorescente compatta -

  • Circuito - Singolo

  • Adatto per lampada fluorescente -

Confezione

  • 25 PZ

EAN

4050300797823

Codice prodotto

LDVDEOSST171

Cod. produttore

DEOSST171

Produttore

LDV

Elettronico:

no

Adatto per lampade di potenza:

36...65 W

Adatto per lampada fluorescente compatta:

Circuito:

Singolo

Adatto per lampada fluorescente:

Adatto per lampada ad alogenuri-ioduri metallici:

no

Adatto per lampada a vapori di sodio a bassa pressione:

no

Collegamento singolo. Caratteristiche prodotto: Intervallo di temperatura per una disinserzione affidabile: -20…+80 °C.