OMRON - OMRD4NS1AF-16339500 FC,CHIAVE,PG13.5,1NC+1NO,LENTO

Accedi per visualizzare prezzi e disponibilità
Caratteristiche principali
Numero di contatti NC - 1
Numero di contatti NO - 1
Tipo di contatto - Contatto ad azione lenta
Tipo di interfaccia - Nessuno
Tipo di custodia - Parallelepipedo
Confezione
1 PZ
Serie di prodotti
EAN
4536854963629
Codice prodotto
OMRD4NS1AF-16339500
Cod. produttore
D4NS1AF-16339500
Produttore
OMR
Numero di contatti NC:
1
Numero di contatti NO:
1
Tipo di contatto:
Contatto ad azione lenta
Tipo di interfaccia:
Nessuno
Tipo di custodia:
Parallelepipedo
Con indicatore di stato:
no
Adatto per funzioni di sicurezza:
sì
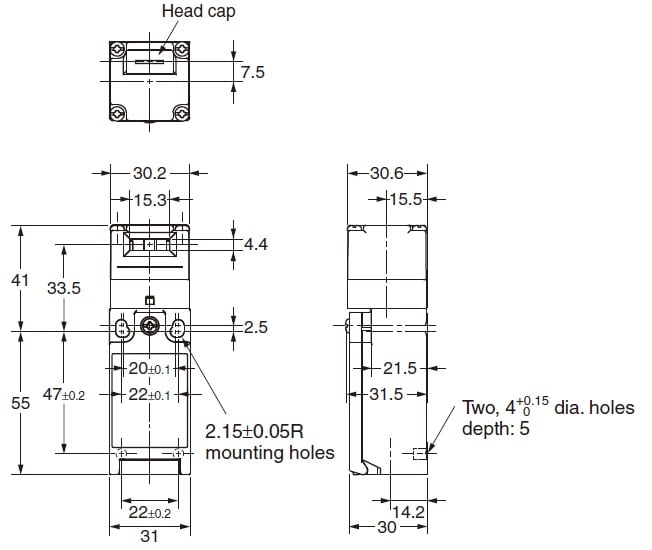
Larghezza del sensore:
31 mm
Altezza del sensore:
30 mm
Lunghezza del sensore:
96 mm
Apertura positiva:
no
Numero di contatti ausiliari di sicurezza:
0
Numero di contatti di scambio:
0
Tipo di interfaccia per comunicazione di sicurezza:
Nessuno
Corrente nominale di impiego Ie in AC-15, 230V:
3 A
Corrente nominale di impiego Ie in DC-13, 230V:
0.27 A
Materiale (del corpo):
Altri
Rivestimento della custodia:
Altri
Tipo di collegamento elettrico:
Ingresso cavi PG
Categoria ATEX atmosfera gas:
Nessuno
Categoria ATEX atmosfera polvere:
Nessuno
Temperatura ambiente durante il funzionamento:
-30...70 °C
Grado di protezione (IP):
IP67
Tipo di protezione (NEMA):
Altri




