PHOENIX CONTACT - PHC1439887 SACC-CI-M12MS-4CON-L90 SH SCO CONNETTORE - 1439887

Accedi per visualizzare prezzi e disponibilità
Caratteristiche principali
Tipo di contatto a innesto, lato esterno - Maschio (connettore)
Numero di poli - 4
Confezione
20 PZ
EAN
4046356476614
Codice prodotto
PHC1439887
Cod. produttore
1439887
Produttore
PHC
Tipo di contatto a innesto, lato esterno:
Maschio (connettore)
Numero di poli:
4
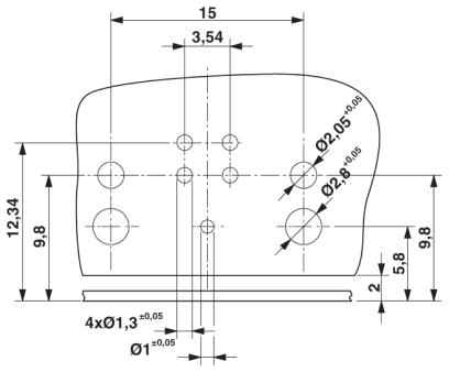
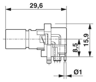
Costi di montaggio ridotti grazie al connettore per apparecchi bicomponente. Pinning e codifiche standard disponibili. Integrazione della custodia semplice grazie ai collegamenti a vite per porte meccanici con connessione filettata, profilo a pressione oper integrazione diretta nella piastra frontale. Guarnizione di tenuta aggiuntiva per l'apparecchio nello stato non connesso.





