AMBIENTE DI TEST / TEST ENVIRONMENT

pagina iniziale

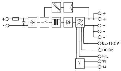
PHOENIX CONTACT - PHC2320128 QUINT-PS/24DC/48DC/ 5 DC/DC CONV.

PHOENIX CONTACT
copiacopia

Accedi per visualizzare prezzi e disponibilità

Confezione

  • 1 PZ

EAN

4046356481908

Codice prodotto

PHC2320128

Cod. produttore

2320128

Produttore

PHC

Tensione costante: aggiornamento della tensione di uscita anche all'estremità di linee lunghe. Consentono la conversione su diversi livelli di tensione. Isolamento galvanico: per la creazione di sistemi di alimentazione indipendenti.