PHOENIX CONTACT - PHC2905909 TRIO-UPS-2G/1AC/1AC/230V/750VA AC UPS +

Accedi per visualizzare prezzi e disponibilità
Confezione
1 PZ
EAN
4055626007502
Codice prodotto
PHC2905909
Cod. produttore
2905909
Produttore
PHC
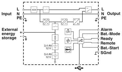
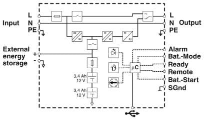
Transizione senza problemi grazie alla curva sinusoidale pura: il seno generato nel funzionamento a batteria si sincronizza con la rete di alimentazione precedente. Compatto: il modulo UPS e la batteria riuniti in un'unica custodia. Lunghi tempi di copertura con la batteria VRLA integrata, possibilità di espansione con altre batterie. Interfaccia USB per il collegamento a controllori di livello superiore, come ad esempio i PC industriali. Avviamento da batteria possibile anche senza rete di ingresso.




